水泥窑高效再热余热发电技术实践与应用
水泥窑纯低温余热发电技术历经近二十年的发展,已经比较成熟。然而,随着六级预热器在水泥窑烧成系统中的广泛应用,C1筒出口烟温降至大约~250℃,致使水泥窑余热发电指标滑落至24~26kWh/t.cl,且在“双碳”战略目标的驱动下,传统水泥窑余热发电系统愈发难以满足企业的期望。
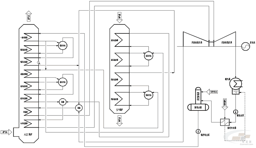
为积极响应企业需求,南京凯盛开能环保能源有限公司创新性地研发了“工业余热高效再热发电技术”,为中国国内唯一一家拥有水泥窑高效再热余热发电工程投产业绩的高新技术企业,水泥窑高效再热余热发电系统示意图见图1所示,相应的专利证书见图2所示。

图1 水泥窑高效再热余热发电系统

图2 水泥窑高效再热余热发电系统专利证书

图3 湖南某水泥余热发电项目现场图
该技术深度挖掘余热资源潜力,显著提升了吨熟料发电量。相较于常规型式工业余热发电系统,高效再热发电技术在余热锅炉中增设了再热器,使得进入汽轮机低压缸的蒸汽温度得以提高,故系统循环热效率提升,发电功率可增加10%以上;此外,汽轮机排汽量减少,冷端损失降低,使得循环水系统的电耗显著降低,厂用电率降低30%~50%;由于再热系统具有较高的发电效率,再热系统增加的投资成本可以在1.5年内收回。
凭借其发电效率高、投资回收周期短等诸多优势,南京凯盛开能环保能源有限公司研发的“工业余热高效再热发电技术”,已在中国国内得到市场广泛认可,并在多个项目中成功应用并投产运行。表1为国内所有新建竣工投产运行的水泥窑余热发电高效再热项目。实践验证,具有效率高、性能稳定、运行可靠以及自动化程度高等技术优点。

表1 国内所有新建竣工投产运行的水泥窑余热发电高效再热项目
为进一步降低能耗,国内越来越多的水泥线进行了烧成系统的改造,其中,窑尾预热器由5级改造为6级,甚至是由5级改造为7级。同时,为提升余热利用效率,余热发电系统也进行了高效再热发电的改造。实践验证,经过再热改造后,余热发电系统的发电量得到显著提升,表2为国内所有投产运行的水泥窑高效再热改造项目。

表2 国内所有投产运行的水泥窑余热发电高效再热改造项目
此外,目前在国内正在建设的水泥窑余热发电高效再热项目,详见表3。

表3国内在建水泥窑余热发电高效再热项目
上下篇导航