Loading...

产品中心

产品中心

乳胶漆与涂料的区别及优劣分析

乳胶漆与涂料各有优劣,乳胶漆更环保安全,适合家庭装修;涂料在功能性如防腐耐磨上更出色。选择需结合需求和装修风格,乳胶漆兼顾美观与健康,是多数家庭优选。

水泥毯

专业土工材料制造商,产品具备优异的耐腐蚀和环保特性,广泛应用于垃圾填埋场、水利工程、交通建设等领域。公司拥有强大的技术研发实力,产品品质稳定可靠,为多项国家级工程提供材料保障。

水泥毯

专业土工材料制造商,产品具备耐腐蚀、环保、耐久等特性,广泛应用于垃圾填埋场、水利工程、交通建设等领域,以优质产品和完善服务获得工程界认可。

HDPE光面土工膜

HDPE防渗膜作为高分子聚合物材料,具备优异的防渗性能、化学稳定性和抗老化特性。其防渗系数高、成本效益佳,广泛应用于环保、水利、市政、园林等多个工程领域,施工时需注意铺设规范和接缝处理。

植草格

植草格作为新型绿色建材,采用HDPE材料制成,具有承重与绿化双重功能,能有效解决停车场绿化难题,同时具备排水防蚀特点,为城市生态建设提供理想解决方案。

水篦子/植草格

植草格采用改性HDPE材料制作,具备耐压耐磨、抗冲击等特性,广泛用于停车场、消防车道等场所,既能保护草坪又能承载重压。其特殊结构促进土壤排水,防止积水,有效固定土壤,减少水土流失,适用于各种不稳定...

刚性渗滤液HDPE土工膜施工案例

HDPE土工膜凭借优异的防渗系数、化学稳定性和抗老化性能,在环保环卫、水利工程、市政建设等多个领域得到广泛应用。该材料具有高机械强度、低成本高效益的特点,能够有效解决各种防渗需求,使用寿命可达50...

HDPE糙面土工膜(二次喷糙)

糙面HDPE土工膜作为新型防渗材料,具备优良的力学性能和环保特性,其增大摩擦系数设计特别适用于陡坡垂直防渗工程,有效提升整体稳定性并具备隔离排水保护等多种功能。

水泥毯

专业土工材料制造商,产品具备耐腐蚀、环保、耐久等特性,广泛应用于垃圾填埋场、水利、交通等基础设施建设领域,以稳定可靠的质量和完善的售后服务获得工程界认可。

加筋麦克垫/固土网垫

加筋麦克垫结合聚丙烯土工垫与钢丝网格优势,具备优异的抗侵蚀性能和机械强度。产品广泛应用于土方工程、防洪治沙、公路铁路等领域,具有耐久性强、经济实用、施工简便等特点,使用寿命可达20年以上。

植草格

植草格作为新型绿色建材,采用HDPE材质制作,具备承重能力强、环保可回收等特点,有效解决了停车场绿化与承重的矛盾,为城市停车绿化建设提供理想解决方案。

植草格

植草格作为环保型土工材料,具备耐压耐磨、抗冲击等优异性能,广泛用于停车场、消防车道等场所,实现绿化与硬质地面结合,有效防止水土流失,降噪环保。

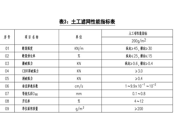
土工滤网

土工格栅通过网格结构与填料锁合形成稳定平面有效防止路基裂痕和塌方问题具备承载重载荷能力可在恶劣地质条件下施工显著缩短建设周期并提升整体工程质量。